Precíz mérnöki szolgáltatások

ikon_fogaskerék_3_fehér

Komplex tervezés

Alkatrészek, vázszerkezetek és gépek professzionális tervezése több éves tapasztalattal.

ikon_fogaskerék_fehér

Rugalmas megbízás

Teljes állású mérnök felvétele helyett gazdaságos, projekt alapú együttműködés.

ikon_fogaskerék_2_fehér

Oktatás

Solid Edge szoftverrel történő, professzionális oktatás cégeknek és diákoknak. Műszaki rajz, CAD modellezés

Miben tudok még segíteni

Reverse Engineering

Meglévő termékek, alkatrészek, régi műszaki rajzok digitalizálása, dokumentáció készítése.

Gyártás

A tervezés mellett segítek a gyártópartnerek kiválasztásában és a kivitelezés menedzselésében is.

Egyedi minták

Egyedi mintás lézervágott kerítések, korlátok, térleválasztók tervezése, vágási dokumentáció készítés.

Látványtervek

3D-s látványtervek készítése CAD modellezéssel. Alkatrészekről, gépekről, fém szerkezetekről stb.

Bohata Csaba

Rólam

Bohata Csaba vagyok, mesterdiplomás gépészmérnök. Magyarkanizsán születtem, jelenleg Szegeden élek és itt is dolgozom.

Középiskolától kezdve mérnöki tervezéssel és CAD modellezéssel foglalkozom.

A felsőfokú tanulmányaim közül az alapképzést a Szabadkai Műszaki Szakfőiskolán, a mesterképzést pedig a győri Széchenyi István Egyetemen végeztem.

Ez az út tett képessé arra, hogy ma már magas szinten, Solid Edge szoftver használatával segítsem üzleti partnereimet a legkomplexebb tervezési kihívásokban is.

A tanulmányaim befejezése után dolgoztam célgépgyártással, lézervágással és lakatosmunkákkal foglalkozó cégeknél projektvezető pozícióban.

Projektvezető pozícióban mélyreható tapasztalatot szereztem a tervezés és gyártás közötti zökkenőmentes átmenet biztosításában, különös tekintettel a lézervágott alkatrészek és a lakatosmunkák kivitelezhetőségére.

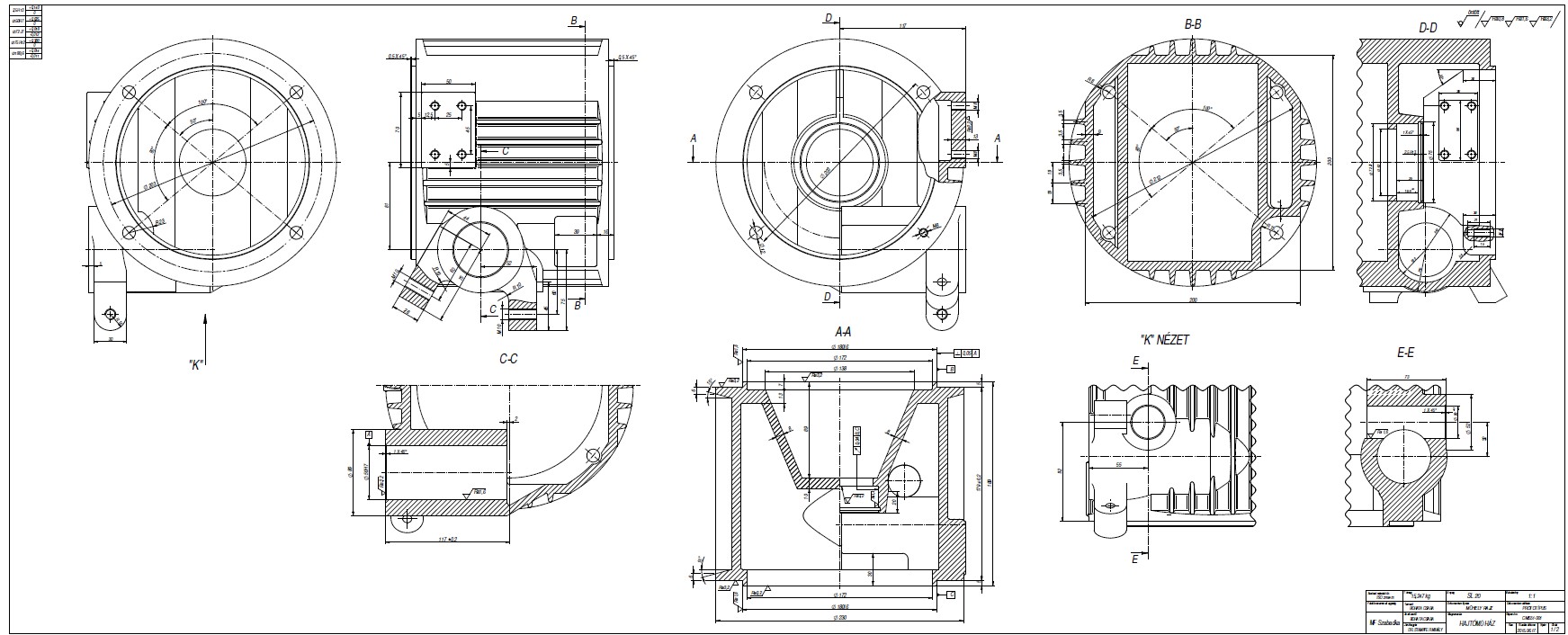
Referencia munkák

Kapcsolat